Driverless LED light engines deliver up to 93% efficiency and no perceptible flicker
PETER SHACKLE describes an AC-LED light engine that connects directly to the AC mains while delivering photometric and electrical performance similar to that achieved by DC-driven designs.
In the last several years driverless LED light engines (also known as AC-LED light engines) have become increasingly important to the solid-state lighting (SSL) sector and to the lighting industry at large. Indeed, some leading luminaire companies rely on AC-LED based products for as much as half of their sales. The allure from a cost and complexity perspective is clear in that the minimal driver circuit can be placed on the circuit board that hosts the LEDs and no separate driver module is needed. And the latest implementations combine up to 93% electrical efficiency with low cost and no perceptible flicker.
AC-LED light engines have numerous advantages - starting with a flat and compact form factor enabled by the lack of an LED driver, thereby simplifying the luminaire design. But many products on the market today suffer from 120-Hz flicker (close to 100%) and efficiency is typically only around 83%. The high flicker renders them unacceptable to many lighting designers/specifiers for lighting applications such as offices and workshops.
We will describe here a new driverless LED light engine that produces less flicker and offers higher efficiency than many existing products. The new technology results in prototype light engines with essentially no perceptible flicker at 120 Hz and demonstrated electrical efficiency of 93%. The design described is being utilized in a light engine manufactured by ERG Lighting. This new branch on the lighting technology tree has the potential to reshape the future growth of the SSL industry.
How it works
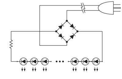
In order to understand the dramatic nature of this innovation, we will start by reviewing conventional technology. The earliest generation of driverless LED light engines used circuits such as the one shown in Fig. 1.
In this arrangement, the AC power line is rectified and applied to a string of LEDs with a total forward voltage requirement just less than the peak of the AC power line voltage. A resistor in series with the LEDs limits the current to be within the rating of the LEDs. This circuit produces an intense flash of light 120 times per second, resulting in a quality of light similar to that from a magnetic ballasted fluorescent tube.
Technologists improved this arrangement by adjusting the number of LEDs in series with the power line by operating switches throughout the line cycle as shown in Fig 2. Many different arrangements for controlling the switches have been developed. Sometimes instead of a simple resistor, a current-controlled resistor or a current-limiter circuit may be used. These circuits involve relatively expensive IC controllers and numerous costly high-voltage switches.
The segmented-switched scheme produces a total LED current that resembles a series of half sine waves and the input current closely resembles a sine wave. As a result, these products have good power factor and total harmonic distortion (THD). But the half sinusoidal output current means that the flicker at 120 Hz is close to 100%. Since some level of LED current is always flowing (and some LEDs are always switched on), the flicker is less noticeable in the Fig. 2 circuit relative to that in the Fig. 1 circuit. However, some people can still perceive the flicker, especially in their peripheral vision, and for this reason many specifiers still object to the light quality.
Eliminating flicker
In our new architecture (Fig. 3), the LED current is kept almost constant, with a very brief 1.5-msec gap in the output current during which capacitors are recharged, twice every power line cycle. This circuit operation corresponds to a frequency of above 600 Hz, which far exceeds what the human eye can detect and is therefore perceived as flicker-free. It does not use expensive IC driver chips or costly power switch chips, which are commonplace in conventional technology.
A simple way to explain how this circuit works is to follow the currents generated by the AC power line or voltage source (S1). When the voltage on the left side of the source is rising positively, a displacement current flows through capacitors C4 and C9, which sends a current through LED array 10 and back to the power line. When the input voltage becomes sufficiently high, additional current flows through LED array 7, through diode D2 and then resistor R6. Thus, the operation is characterized by first displacement current flowing through the LED arrays and then galvanic current.
While the input voltage is rising positively, capacitor C8 is being charged up to the peak of the line through diode D14. In this manner, capacitors C8 and C9 operate alternately; while one is being discharged, the other is being recharged. Hence as soon as the input power line voltage gets slightly above (or below) zero, a full output current can start immediately from the pre-charged capacitor. When the displacement current starts to decrease in the middle of the half cycle, the galvanic current starts to pick up and keeps the LED current going longer. The net result is a relatively long period of output current at a relatively uniform level.
An experimental design of the AC-LED architecture featured total LED current passing through all four strings of a 19W prototype light engine (not shown). This prototype was running at 93% electrical efficiency. The input current was relatively sinusoidal, resulting in a power factor of 0.53 and THD of 24%.
Practical details
Now let's consider the operation of the circuit at the SSL system level. The light output comes from four strings of LEDs that operate in sequence. Fig. 4 shows the four LED string currents and the summed current versus time, as computed in a SPICE simulation.
It can be seen that each string is only excited once every 16 msec. In order to produce the desired uniform light output, one LED from each string must be mounted closely together in an array of four, and then these arrays need to be packed together until their combined LED forward voltage is comparable to the power line voltage. The capacitors are advantageously ceramic capacitors, since electrolytic capacitors cannot stand the large ripple current involved.
The proposed architecture can be applied in a broad array of products so long as the form factor enables proper placement of the LEDs as discussed previously. Such a light engine is ideally suited for task lights, cove lights, and undercabinet lights in a consumer environment.
Without the physical limitations of the LED driver, luminaire designers are now presented with an all-new platform from which to create. Square, rectangular, circular, and other shapes are possible. Light engines can be made in different sizes and shapes without sacrificing performance. More advanced products with improved power factor and continuous light output are in development and the lighting industry can look forward to a new evolution of products as a result of driverless technology.
PETER W. SHACKLE ([email protected]) is an industry consultant at Photalume.com and owns the patent application for the light engine technology described in this article.
